一、前言
大連集發南岸國際物流有限公司位于大窯灣三期碼頭后方30萬m2場地南部地塊,屬于集裝箱港區用地,與大連一、二、三期集裝箱碼頭和大連鐵路中心站距離適中,由大連港集裝箱發展有限公司投資興建,總占地面積為109120.1 m2,場地建有三座甲級庫,面積1640.4 m2;二座遮陽貨棚,面積3099.6 m2;并建有完善的電氣防爆(ⅡCT4)、防雷(一級)、消防報警、噴淋降溫及污水收集和處理設施,是東北地區目前唯一危險貨物集裝箱專用場站。
該工程于2012年12月竣工投入使用,年操作能力8.06萬TEU。主要從事2類、3類、4類、5類、6類(6.2類除外)、8類和9類危險貨物集裝箱堆存、拆裝箱、庫存及分撥配送。
2016年實現經營收入3134萬元。
二、背景
大連集發南岸國際物流有限公司是大港集箱全資子公司,場地建立之初定位為大連口岸危險貨物進出口的后方堆場,場地原有的圖形化系統主要圍繞業務模式進行操作,相對于安全方面的管控能力不足,與監管部門及救援單位聯動不夠。結合“812”天津爆炸事件,我們進行探索與研究,由于信息的不透明、不及時、不統一,導致救援過程中不必要的損失及人員的傷亡。根據此情況,大連集發南岸國際物流有限公司立即自檢自查,進行問題整改。同時,針對天津爆炸事件所暴漏的信息不透明等問題,對現有業務系統增加“安全管控”、“信息聯動”、“應急處理”等功能進行創新設計規劃,提出了為確保企業安全生產為目標,安全管控為手段的,具備“業務”“安全”“應急”三位一體的創新管理模式,完成了(數據)圖形化系統及異地容災備份等系統的建立。以資訊、數據等技術手段和硬件的創新建設提升危險貨物的安全操作及應急處置能力。
三、現狀分析
眾所周知,危險貨物與普通貨物相比,具有極高的危險性,危險貨物由于涉及社會、企業、人民生財產等諸多安全、環保問題不僅受到社會廣泛關注,同時也受到國家法律、法規的約束和監督。危險貨物的特殊性使得其安全管理工作顯得尤為重要。結合“812”天津爆炸事件,我們不難看出,信息化系統在災難發生的事前,事中,事后的重要性。所以,我們在想,能否可以通過資訊手段,讓危險品不危險。
事前,讓我們加強對危險貨物的管控,對信息的透明化,與職能部門以及救援單位有良好的聯動機制。
事中,災難發生時,可隨意調取場區內所有貨物的信息以及MSDS的信息。及時的與救援單位進行聯動,為救援節省時間,減少災難的損失。
事后,有數據的容災系統,有數據,有記錄。
根據以上,我們在“回頭看”活動中思考與探究,(數據)圖形化系統在危險貨物倉儲業務操作模式中是一種創新的操作模式,不在是單一的通過數據表格查詢貨物的基本信息及MSDS信息,而是通過(數據)圖形化系統可以直觀的了解場地內的堆存情況以及位置并且能夠迅速的根據集裝箱位置調取MSDS信息,實時管控場地內危險貨物的情況。因此,本系統的核心:不是簡單的將數據導入(數據)圖形化系統進行展示,而是通過可視化系統對場地內危險貨物的進行有效的管控和操作。同時,大連集發南岸國際物流有限公司,將系統接入至大連港集團、大港集箱調指、大窯灣消防支隊等監管部門及救援單位,實現數據透明化,讓系統具備安全管控、信息監管、實時救援的一種創新操作模式。實現上述目標,主要通過五個環節:
1)融合,與現有的業務生產系統數據融合,實時掌握現場的數據動態。
2)監測,通過圖形可視化界面及后臺數據庫,實時顯示在場貨物名稱、貨物類別、位置、箱號、應急聯系人等信息。同時,可以調取貨物的MSDS信息。
3)預警,根據場地對貨物堆碼的隔離要求及重大危險貨種的堆存量上限,預警系統將實時進行監控,超出隔離要求及堆存量上限,將及時報警,并在圖形化系統中標注為特殊顏色。
4)聯動與應急,(數據)圖形化系統通過大連港集團內網,已與大連港大數據平臺、大窯灣消防支隊、集裝箱調度指揮中心進行聯動,場地的信息可以通過網絡實時的與各個職能單位進行傳輸。出現應急情況,(數據)圖形化系統可以通過鎖定應急箱功能,進行鎖定,救援人員在遠端就可以了解應急事故箱的基本情況,位置,MSDS應急處置方法,以及應急事故箱周圍貨種的情況。大大減少現場研判的時間,以及救援的風險。
5)系統備災機制,應用系統數據在本地與大窯灣數據中心進行備份(相隔約5公里),每周在大連市內進行備份(相隔約30公里)。MSDS信息實時與大連港集團大數據平臺、大窯灣數據中心進行備份。
四、實施過程
1.立項
1)大連集發南岸國際物流有限公司位于大連大窯灣港區,業務領域已經從單一的碼頭后方危險品堆存拓展到:以危險品為主營業務的集裝箱以及危險品貨物的裝箱業務、拆箱業務、集裝箱堆存進出業務、危險品貨物倉庫業務、危險品配送、作業資源調度、場內無線作業以及相關的計費結費過程。業務范圍全面,由于涉及到危險品集裝箱、貨物的各項業務,本著場站安全第一位的原則,需要健全強大的基礎信息平臺支撐。
2)提高企業對危險貨物的管控能力,同時在危險貨物發生事故時,(數據)圖形化系統能及時調取的貨物數據信息、位置以及貨物的MSDS信息,并實現與救援單位的及時聯動。
3)幫助企業依法生產,避免或減少違法生產所帶來的法律處罰或關停風險。
4)提高企業安全生產的管控能力,避免人為操作導致的重大危險貨物存儲量超標,避免重大安全生產事故的發生,保證企業能夠安全發展。
2.基本原理
.jpg)
(數據)圖形化處理系統是依據危品場站從安全管控方面和規范化操作方面的要求進行設計建設的,這是與普通場站系統建設區別最大的地方,因此強化系統安全管理和流程規范化操作是必須滿足的。本次建設的圖形化處理系統其特點如下:
1)GIS圖形應用:GIS在處理二維圖形方面具備強大的功能,特別是在矢量圖形處理方面,應用該技術在圖像放大、縮小時能避免失真。
2)無線終端設備應用:本次圖形化系統的建設為了保證系統數據采集的實時性,應用了智能大門采集和無線終端進行作業,保障系統采集數據的效率。
車載響應速度:1秒完成
大門設備采集:5秒完成
3)信息共享:利用無線和網絡技術實現消防隊、派出所和集團調度指揮中心通過圖形化系統進行信息實時共享。
4)MSDS對接:本次搭建MSDS硬件平臺與圖形化系統完成對接,方便企業、消防和集團相關管理部門進行實時調用。
應用技術描述如下:
•開發語言:微軟C# 2010開發
•中間件:GIS地理圖形組件和NHibernate數據持有層
硬件平臺:雙備份與容災機制的硬件平臺。
3.實施方案
根據背景情況,大連集發南岸國際物流有限公司委托大連口岸物流科技有限公司對現有系統及(數據)圖形化系統進行融合及升級改造。
方案如下:
.jpg)
(數據)圖形化系統結構圖
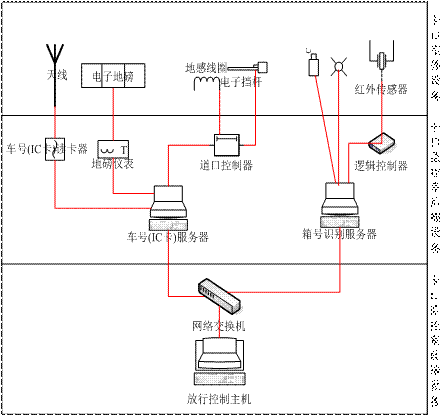
1)智能大門系統
集裝箱場站的SmartGate控制系統,是對進出場站大門卡口的貨物、運輸車輛進行自動識別和實時監控的軟硬件一體化產品。實現遠程操作、進出卡口通道內無人值守、減少人工干預、提高數據采集的可靠性和準確性,并加快集裝箱及散貨車輛通過大門的速度,徹底改變因人工作業引起的效率低、易發生箱貨丟失和走私等現象,為實現整個運輸過程的全程監控提供完整、實時、準確的信息。
場站SmartGate由以下多個系統共同組成,來實現以上所述功能和業務:
•電子車牌自動識別系統:用于識別集裝箱等運輸車輛的RFID電子車牌號碼;
•集裝箱箱號、箱型自動識別系統:用于識別各種類型集裝箱的物理箱號、箱型代碼;
•交通控制(電子擋桿)系統:用于指示、引導和控制作業車輛的有序、快捷行駛;
•電子地磅稱重系統:采用電子地下衡及儀表,實時接收拖車經過大門時的重量。
.gif)
通過上述功能采集進場危險貨物集裝箱的基本信息。
2)車載終端系統
通過2.4G無線網絡,可實現控制中心與作業現場的實時信息雙向傳輸。如向作業現場發送作業設備調度指令、貨柜調動指令、貨柜集卡的提箱/落箱安排指令、集裝箱裝卸作業等指令;現場理貨人員通過無線網絡,可將現場實時作業信息傳回管理控制中心,如將現場集裝箱實時位置信息定時確認給管理控制中心,中控管理人員即可方便對此堆場場位操作。
.jpg)
.jpg)
(數據)圖形化系統可通過車載終端的操作,實時顯示集裝箱的動態位置信息。
3)圖形化界面
大連集發南岸國際物流有限公司通過建立了完善的危險貨物儲存系統,結合場區內無線終端操作,實現場地倉庫及堆存區貨物圖形化顯示方式達到快速查詢數據的目的。操作人員只需將鼠標懸停在場圖中的集裝箱上,即可獲得場內實時集裝箱的箱號、貨物名稱、位置、貨物類別、箱來源、應急聯絡人及電話等信息。系統通過數據傳輸,可直接在控制中心的大屏幕顯示,所有信息一目了然。
.jpg)
4)分類顯示
分類顯示可通過集裝箱層數進行實時顯示,也可通過危險貨物類別進行實時顯示。注意,這里的分類顯示,是一個操作模塊,用戶可根據自己的需求調整所需顯示的類別,同時自定義所需顯示的顏色標識。
.jpg)
5)搜索
用戶可根據提單號、箱號、貨物名稱、貨物危險等級進行搜索。
.jpg)
6)高危貨種預警
高危貨種預警系統,主要對危險貨物隔離要求及貨物超量堆存進行預警。
如場區內箱量超過設定標準,計劃員在預約時就進行超量預警。進入大門時,對控制中心及檢查橋人員進行預警,并做相關記錄。
如場區內貨物,未按照隔離要求堆碼,系統將對檢查橋及控制中心人員進行預警,并做相關記錄。
7)視頻監控系統
場地內共18組模擬防爆探頭,12組數字探頭,實現場區內全覆蓋。所有探頭可通過(數據)圖形化系統進行調取,實時監控場區實體集裝箱及貨物的動態。
.jpg)
8)大窯灣消防隊
實現與大窯灣消防支隊信息聯動,消防隊可實時查詢在場貨物信息。
9)集箱調指
實現與大港集箱調度指揮中心信息聯動,大港集箱調度指揮中心可實時查詢在場貨物信息。
10)大數據平臺
通過數據共享技術,實現實時將業務數據實時上傳至大連港集團大數據平臺。
.jpg)
11)MSDS數據備份
MSDS備份數據存放在大連集發南岸國際物流有限公司服務器內(10.11.2.42)。同時,數據實時向大窯灣數據中心、大連港集團大數據平臺進行備份。實現數據異地備份機制。
12)業務數據備份
業務系統數據全部托管在大窯灣數據中心,大窯灣危險貨物專用場站
13)事故箱鎖定
(數據)圖形化系統,可鎖定事故箱,且與大窯灣消防支隊及其他客戶端聯動顯示。消防隊在出警前,即可了解事故箱位置、事故箱周圍貨物信息,以便提前做好撲救準備,快速到達事故現場。
.jpg)
14)應急預案
應急預案分為:MSDS系統應急預案、資訊系統應急預案兩部分(附件1、附件2)。
4、經濟和社會效益分析報告
1)經濟效益分析
a)通過(數據)圖形化系統在危險貨物倉儲管理中的創新研究和探索,可以大大節省操作成本,同時可推動危險貨物堆存行業整體效益向安全可控、降低成本損耗方向發展,對企業核心競爭力的提升發揮了重要的作用。
b)放箱現場作業時間由原來的30分鐘降低到了10分鐘,通過貨物危險類別科學劃分堆存區域,減少正面吊與拖車運行的距離及時間,減少作業成本。
c)經濟效益統計
每減少20分鐘可以創造出160元的經濟效益
放箱作業時間由原來的30分鐘降低到了10分鐘,為企業及客戶節省了20分鐘的有效作業時間。按每臺集裝箱拖車每月平均收入為人民幣3萬元,每月平均工作天數為30天,每天平均工作時間為12小時統計,每臺拖車每小時的收入=30,000/30/12=83元,平均每減少20分鐘可以創造出160元的經濟效益。
集團大數據平臺每日需要場站進行數據匯總上傳,人工成本平均每日按照260元計算,每天需要上傳MSDS及數據信息的時間約為1小時,每天按照12小時工作量,每日上傳數據人工成本為21.6元,通過(數據)圖形化系統自動上傳功能,按照一個月30天計算,每月可節省648元,每年節省人工成本7776元/人/年。
單箱綜合經濟效益:(A+B+C)/365= 42元
“大連集發南岸國際物流有限公司”月均提箱出場箱量為2225自然箱,如此項目之應用,對于提箱人和堆場的月均綜合作業成本能節省42*2225=12萬元,全年則可節省達110萬元,經濟效益價值可觀。
2)社會效益分析
a)降低危險貨物運輸車輛在公用道路上、通道等待而的形成的道路擁堵,促進了道路暢通,減少了危險貨物車輛在道路上可能造成的危險。
b)通過(數據)圖形化系統,降低了人工協調成本,減少了場地操作的繁復工藝,簡單直觀的操作現場的危險品貨物堆碼。減少了MSDS的上傳時間,減少了MSDS上傳不及時的隱患。降低了對危險品管控風險,達到實時上傳的目的。
c)(數據)圖形化系統應用了大量的先進技術與GIS圖形化技術,通過直觀的圖形化系統,大大提高了對操作、管理、安全、聯動、應急的的能力。同時,縮短了與監管單位、救援單位的響應時間。因此通過本項目的應用效果來看,本項目的應用推廣也可作為智慧港口組成的一部分,具備極大的社會意義。
d)本項目研究綜合了目前現有的同類項目建設和使用的成功經驗,解決了信息透明、容災備份、信息互聯、數據共享等目的。(數據)圖形化系統在提升安全管控及與救援單位達到信息化系統的統一應用,為行業內其他同類項目的設計和建設提供了寶貴的經驗。
實施效果
1)與消防隊聯合演習
a)(演練場景)叉車在B02拆裝3類危險品作業時發現盛裝貨物的貨桶發生滲漏。
b)現場業務員發現貨桶泄漏后,立即疏散現場人員,并向控制中心報告。
c)控制中心確認發生險情后立即向消防隊報警,向上級有關部門報告。
d)危險品場站成立應急指揮中心,研判貨物MSDS后立即啟動應急預案,上報集箱安監部,指揮公司應急救援組對貨桶堵漏。
e)接引消防車進場救援,與消防隊交接MSDS。
f)堵漏救結束后通知東泰公司對泄漏物進行回收。
.jpg)
.jpg)
2)與市環保局聯合演習
a)(演練場景)現場業務員在巡視現場過程中發現應急處理區二硫化碳儲罐發生燃燒;
b)指揮部根據(數據)圖形化系統鎖定應急箱,并調取MSDS,及時通過與消防隊的系統聯動,對貨物進行研判研判,同時配合消防隊對應急救援的組織協調;
c)大連集發南岸國際物流有限公司對事故現場的人員及周邊企業疏散;
d)大連港公安局消防支隊的應急救援;
e)應急救援組利用堵漏工具應急救援;
f)環保局對大氣和水質的應急監測;
g)東泰公司對固廢及事故水的收集處置。
h)演練結束。
.jpg)
.jpg)
五、展望
1.物聯網數據整合
目前,大連集發南岸國際物流有限公司在原有系統的基礎上,在場地內進一步實施了數字視頻系統全覆蓋、基于溫感的紅外測溫系統,進一步為安全監控和檢測提供信息保障。系統下一階段的設計思路,是整合場地內所有物聯網硬件,有機結合在一起,形成一個統一的安全監控平臺。
加強現有操作系統功能,提升物聯網設備覆蓋范圍,打通各系統之間的數據通道,將現有所有靜態管理信息、安全應急預案、危險品處置方案、動態業務數據、物聯網設備、儀器儀表、自動化控制系統、紅外測溫系統、場地無線設備、視頻信號、紅外檢測、光纖振動監測系統,有機整合到一體化的平臺中,實現基礎信息、動態信息、自動化設備的有機結合,成為危險品管理、操作、安全預警、處置的可視化、智能化、一體化平臺。
.jpg)
2.數據共享
大連集發南岸國際物流有限公司目前已經完成了第一階段的開發。后續還將與集團及監管單位進行數據、視頻共享、風向風速、自控系統、消防系統、門禁系統等大數據整合及危險品場站系統的統一規劃及管理,把海事、檢驗檢疫的數據接入危險品管理系統,形成及時互動機制及危險品預測機制的一套完整體系。
通過對危險品操作系統升級及技術創新,我們將以前各個端口數據進行整合及統一管理,形成統一的安全監控管理中心,提升安全管控的水平,完成了應急處置系統,同時實現與口岸監管部門之間信息互動,形成口岸危險品點、線、面結合的立體式管控體系,使大連集發南岸國際物流有限公司的安全管控的水平上升到一個新的高度。
最新案例
